Esercizio 7
Altra tipologia di esercizio differente da quella illustrata negli esercizi precedenti in  quanto si partirà dal conoscere l'uscita Vo. In questo caso l'esercizio richiederà di disegnare l'amplificatore operazionale e di determinare i valori delle resistenze.
Esercizio 7
Disegnare il circuito che ha quattro segnali in ingresso, da V1 a V4, e che produce un’uscita
uguale a Vo = ( -V1- 2V2 -4V3 -8V4) e determinare i valori delle resistenze.
Svolgimento
Dato che nell'uscita Vo troviamo tutti valori negativi sappiamo che la configurazione dell'amplificatore operazionale che ci restituisce un uscita negativa è quella invertente cioè i segnali dovranno essere posti in ingresso nel segno ( - ). Andiamo a disegnare il circuito e successivamente determiniamo i valori delle resistenze.
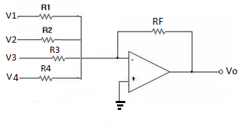
Disegno del circuito:
Adesso andiamo a determinare i valori delle resistenze.
Utilizzando la sovrapposizione degli effetti consideriamo una volta solo il resistore R1, la volta successiva solo R2, poi R3 e poi R4. Come mostrato in basso una volta determinati il valore ci ciascuna resistenza andiamo a fissare il valore di R4 a nostra scelta e andremo a sostituire nelle equazioni ricavate in modo da ottenere il valore di ogni singola resistenza.
Esercizio 7
Disegnare il circuito che ha quattro segnali in ingresso, da V1 a V4, e che produce un’uscita
uguale a Vo = ( -V1- 2V2 -4V3 -8V4) e determinare i valori delle resistenze.
Svolgimento
Dato che nell'uscita Vo troviamo tutti valori negativi sappiamo che la configurazione dell'amplificatore operazionale che ci restituisce un uscita negativa è quella invertente cioè i segnali dovranno essere posti in ingresso nel segno ( - ). Andiamo a disegnare il circuito e successivamente determiniamo i valori delle resistenze.
Disegno del circuito:
Adesso andiamo a determinare i valori delle resistenze.
Utilizzando la sovrapposizione degli effetti consideriamo una volta solo il resistore R1, la volta successiva solo R2, poi R3 e poi R4. Come mostrato in basso una volta determinati il valore ci ciascuna resistenza andiamo a fissare il valore di R4 a nostra scelta e andremo a sostituire nelle equazioni ricavate in modo da ottenere il valore di ogni singola resistenza.


Commenti
Posta un commento